メインコンテンツにスキップ
Japan
シュナイダーエレクトリックのブランド
カート内のアイテム数:
0
マイプロダクト
カート内のアイテム数:
0
マイドキュメント
ログイン/登録
User name
ログアウト
シュナイダーエレクトリックのブランド
今すぐ登録
カスタム製品ツールとサービスを入手
トレーニングにアクセスする
サポートケースの管理
注文の作成と管理(認定パートナーのみ)
ログイン
アカウントの作成
メリットの詳細を見る
0
ドキュメントのアイテム数:
Cancel
メインメニュー
製品
メインメニュー
ソフトウェア
メインメニュー
サービス
メインメニュー
ソリューション
メインメニュー
サポート
メインメニュー
会社情報
Japan
シュナイダーエレクトリックのブランド
マイプロダクト
カート内のアイテム数:
0
マイドキュメント
カート内のアイテム数:
0
ログイン/登録
新しいウィンドウで開きます。
User name
ログアウト
シュナイダーエレクトリックのWebサイトへようこそ
シュナイダーエレクトリックのWebサイトへようこそ。
このWebサイトのまま続ける
ロケーションを選択
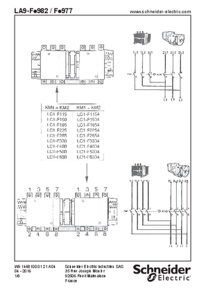
LA9-F.982/977 Set of power connections for changeover contactors LC2 F (Horizontally mounted)
日付: 01 4月 2016
|
タイプ: Instruction sheet
バージョン: A04
ドキュメントを参照: 1468100_01A55
ファイル
[ファイル名]
1468100_01A55.pdf
関連製品
製品群:
TeSys Fシリーズ